Ваш город:
Нижний Тагил
Ваш город Нижний Тагил?
Да Выбрать другой
Заказать звонок
Фильтр

Цилиндро-червячные редукторы Ц2Ч-50, Ц2Ч-100, Ц2Ч-125, Ц2Ч-160

Описание

i n1 n2 Ц2Ч-50 Ц2Ч-100 Ц2Ч-125 Ц2Ч-160
P1 T2 η P1 T2 η P1 T2 η P1 T2 η
МИН-1 кВт Н.м кВт Н.м кВт Н.м кВт Н.м
63 1500 23,8 0,22 72 0,81 1,75 590 0,84 2,93 1000 0,85 6,09 2100 0,86
1000 15,87 0,18 84 0,78 1,24 610 0,82 2,08 1040 0,83 4,45 2250 0,84
750 11,9 0,14 86 0,77 0,96 625 0,81 1,61 1060 0,82 3,45 2300 0,83
80 1500 18,75 0,36 140 0,76 2,1 786 0,83 3,1 1312 0,83 6,57 2812 0,84
1000 12,5 0,25 146 0,74 1,43 893 0,82 2,25 1410 0,82 5,47 3470 0,83
750 9,4 0,2 151 0,74 1,11 900 0,8 1,83 1509 0,81 4,82 4015 0,82
100 1500 15 0,54 146 0,75 1,73 893 0,81 2,7 1410 0,82 5,71 3017 0,83
1000 10 0,38 150 0,74 1,27 957 0,79 2,07 1605 0,81 4,32 3384 0,82
750 7,5 0,3 154 0,73 1,03 1021 0,78 1,77 1801 0,8 3,64 3750 0,81
125 1500 12 0,4 131 0,74 1,41 900 0,8 2,5 1614 0,81 3,99 2607 0,82
1000 8 0,27 133 0,74 0,97 919 0,79 1,83 1752 0,8 3,11 3009 0,81
750 6 0,21 134 0,73 0,76 938 0,78 1,5 1890 0,79 2,68 3412 0,8
160 1500 9,4 0,25 110 0,74 1,07 855 0,79 1,91 1575 0,81 3,45 2875 0,82
1000 6,25 0,18 114 0,73 0,75 896 0,78 1,39 1673 0,79 2,62 3204 0,8
750 4,7 0,14 118 0,71 0,6 937 0,77 1,12 1772 0,78 2,2 3532 0,79
200 1500 7,5 0,33 178 0,72 0,91 849 0,73 1,53 1535 0,79 2,79 2840 0,8
1000 5 0,23 182 0,71 0,64 883 0,72 1,15 1675 0,76 2,23 3360 0,79
750 3,75 0,17 186 0,7 0,51 917 0,71 0,96 1815 0,74 1,95 3880 0,78
250 1500 6 0,16 105 0,71 0,62 716 0,73 1,07 1312 0,77 1,93 2431 0,79
1000 4 0,12 111 0,69 0,43 733 0,71 0,81 1433 0,74 1,42 2645 0,78
750 3 0,09 116 0,68 0,34 750 0,7 0,69 1554 0,71 1,17 2859 0,77
315 1500 4,76 0,14 109 0,69 0,48 698 0,72 0,81 1209 0,74 1,48 2310 0,78
1000 3,17 0,1 114 0,68 0,34 724 0,7 0,59 1278 0,72 1,07 2520 0,78
750 2,4 0,08 118 0,67 0,27 750 0,69 0,48 1347 0,7 0,89 2730 0,77
400 1500 3,75 0,19 193 0,68 0,47 856 0,71 0,83 1564 0,74 1,51 2960 0,77
1000 2,5 0,13 198 0,67 0,33 887 0,7 0,66 1782 0,71 1,23 3560 0,76
750 1,875 0,1 202 0,66 0,26 919 0,69 0,56 2000 0,7 1,07 4160 0,76
500 1500 3 0,1 116 0,67 0,32 718 0,7 0,58 1317 0,71 1,05 2500 0,75
1000 2 0,07 120 0,66 0,23 749 0,69 0,43 1427 0,7 0,8 2703 0,71
750 1,5 0,05 124 0,65 0,18 780 0,68 0,35 1537 0,69 0,65 2906 0,7
630 1500 2,4 0,08 120 0,65 0,25 679 0,68 0,46 1247 0,68 0,85 2458 0,73
1000 1,59 0,05 117 0,64 0,18 713 0,67 0,33 1330 0,67 0,63 2606 0,69
750 1,19 0,04 114 0,64 0,14 747 0,66 0,27 1412 0,66 0,51 2753 0,67
800 1500 1,875 0,06 100 0,59 0,17 543 0,62 0,32 1037 0,63 0,59 1916 0,64
1000 1,25 0,04 105 0,57 0,12 563 0,61 0,23 1088 0,62 0,41 1982 0,63
750 0,94 0,04 111 0,55 0,1 583 0,59 0,19 1140 0,6 0,33 2048 0,61

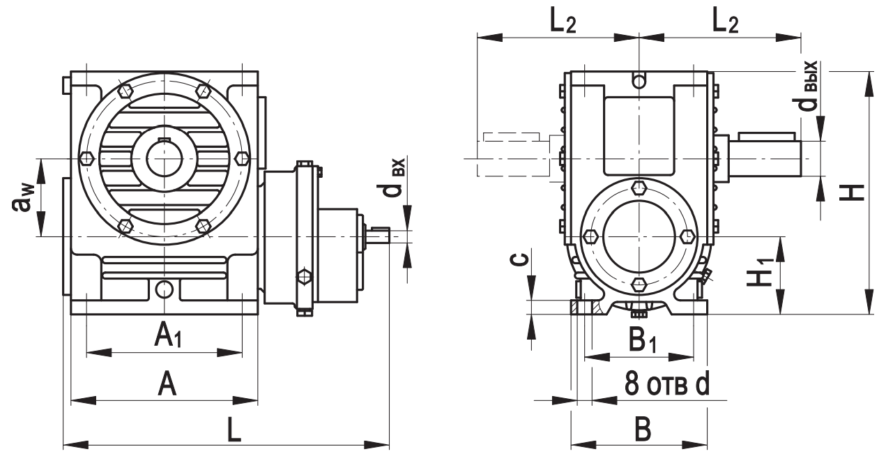
Габаритные размеры редуктора на лапах

Типоразмер Размеры, мм
aw А А1 В В2 L L1мах L2 Н Н1 с d dвх dвых
Ц2Ч-50 50 135 110 135 110 340* 440 110* 174 40 12 10 16 25
Ц2Ч-100 100 240 200 175 140 560 700 225 312 100 18 19 32 45
Ц2Ч-125 125 275 230 230 190 630 810 230 396 111 22 19 32 55
Ц2Ч-160 160 350 300 280 230 800 1040 280 500 140 30 22 40 70

* Размеры приведены без учёта длины резьбового конца вала исполнения К2. 

 

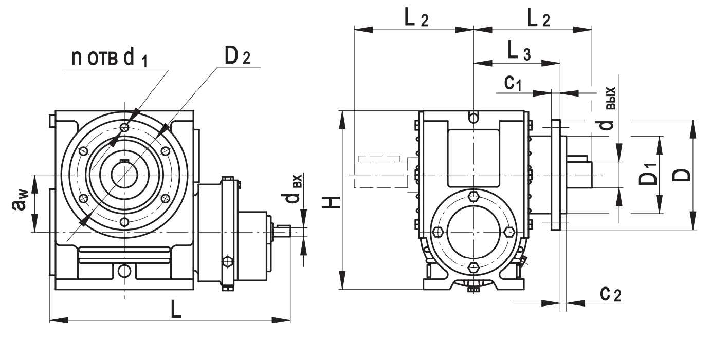
Габаритные размеры редуктора на фланце

Типоразмер Размеры, мм n
aw D D1 D2 Н L L1max L2 L3 С1 С2 d1 dвх dвых
Ц2ЧФ-50 50 160 110 130 174 340* 440 110* 100 10 3,5 12 16 25 4
Ц2ЧФ-100 100 250 180 215 312 560 700 225 150 12 5 12 32 45 6
Ц2ЧФ-125 125 300 230 270 396 630 810 230 170 16 5 15 32 55 6
Ц2ЧФ-160 160 360 280 325 500 800 1040 280 200 20 5 19 40 70 6

* Размеры приведены без учёта длины резьбового конца вала исполнения К2. 

Варианты сборки

Варианты расположения червячных передач

1. Червячный вал под колесом;
2. Червячный вал над колесом;
3. 4. Вал червячного колеса вертикальный;
5. 6. Червячный вал вертикальный.

Назад
Выбор города