Ваш город:
Нижний Тагил
Ваш город Нижний Тагил?
Да Выбрать другой
Заказать звонок
Фильтр

Редукторы Ц2 250 (300, 400, 650, 750, 1000)

Описание

Параметры Типоразмер 1 Ц2У
Ц2-250 Ц2-300 Ц2-350 Ц2-650 Ц2-750 Ц2-1000
Номинальные передаточные числа 8;10;12,5;16;20;25;31,5;40;50
Непрерывный(Н)ПВ=100% 6300 8000 10060 20000 32000 80000
Тяжелый (Т) ПВ=40% 12500 14000 18000 45000 63000 160000
Средний (С) ПВ=25% 12500 17000 25000 63000 100000 200000
Легкий (Л) ПВ=15% 12500 20000 32000 63000 100000 200000
КПД, не менее 0,96
Масса, кг 86 138 210 1100 1650 3700

Габаритные и присоединительные размеры редукторов Ц2

Тип aw2 B, B1 B2 L L1 L2 L3 L4 L5 L6 L7 H H1 H2 n d
Ц2-250
250 260 210 515 220 198 255 280 145 0 285 310 160 4 22
Ц2-300 300 300 250 620 255 227 280 300 165 0 350 362 190 4 26
Ц2-350 350 330 280 700 300 255 320 345 180 200 0 409 212 6 26
Ц2-650 650 560 470 1270 480 410 510 550 295 260 260 695 315 95 8 39
Ц2-750
750 650 560 1455 570 480 595 645 340 300 300 783 355 100 8 46
Ц2-1000 1000 860 760 1905 740 645 745 805 445 400 400 1018 450 155 8 52

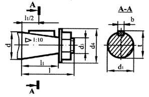
Размеры выходных и входных концов валов

Входные валы

Тип d d1 d2 l l1 l2 b t
Ц2-250 30 27,1 42 80 58 29 5 29,1
Ц2-300 35 32,1 42 80 58 29 6 34,6
Ц2-350 40 35,9 50 110 82 41 10 38,9
Ц2-650 70 64,75 90 140 105 52,5 18 68,75
Ц2-750 80 73,5 105 170 130 65 20 78
Ц2-1000 100 91,75 125 210 165 82,5 25 96,75

Выходные валы

Тип d d1 d2 l l1 l2 b t
Ц2-250 65 59,75 80 52,5 105 140 16 63,75
Ц2-300 75 69,75 90 52,5 105 140 18 73,75
Ц2-350 85 78,5 105 65 130 170 20 83
Ц2-650 140 130 180 100 200 250 32 137
Ц2-750 170 158 210 120 240 300 36 166
Ц2-1000 220 206 270 140 280 350 45 216

Варианты сборки редукторов Ц2

Назад
Выбор города