Ваш город:
Нижний Тагил
Ваш город Нижний Тагил?
Да Выбрать другой
Заказать звонок
Фильтр

Редукторы 2Ц3-125Н (160Н, 200Н, 250Н, 280Н)

Описание

Типоразмер редуктора

2Ц3-125Н

Номинальное передаточное отношение, i

25,0

31,5

40,0

50,0

63,0

80,0

100,0

125,0

160,0

Номинальный крутящий момент на тихоходном валу, Т, Нxм

1250

1400

Номинальная частота вращения быстроходного вала, с-1 (об/мин)

25 (1500)

Номинальная радиальная консольная нагрузка, приложенная в середине посадочной поверхности конца вала, Н быстроходного

300

250

210

190

170

150

тихоходного

9000

9300

Масса, кг

102

Ориентировочный объем масла, л. 5,6
Типоразмер редуктора

2Ц3-160Н

Номинальное передаточное отношение, i

25,0

31,5

40,0

50,0

63,0

80,0

100,0

125,0

160,0

Номинальный крутящий момент на тихоходном валу, Т, Нxм

2250

2400

Номинальная частота вращения быстроходного вала, с-1 (об/мин)

25 (1500)

Номинальная радиальная консольная нагрузка, приложенная в середине посадочной поверхности конца вала, Н быстроходного

770

690

610

540

500

440

400

220

200

тихоходного

11800

12200

Масса, кг

156

Ориентировочный объем масла, л. 11
Типоразмер редуктора

2Ц3-200Н

Номинальное передаточное отношение i

25,0

31,5

40,0

50,0

63,0

80,0

100,0

125,0

160,0

Номинальный крутящий момент на тихоходном валу, Т, Нxм

5200

5500

Номинальная частота вращения быстроходного вала, с-1 (об/мин)

25 (1500)

Номинальная радиальная консольная нагрузка, приложенная в середине посадочной поверхности выходного конца вала, Н быстроходного

1180

1000

950

850

750

670

600

530

475

тихоходного

18000

18500

Масса, кг

273

Ориентировочный объем масла, л. 19
Типоразмер редуктора

2Ц3-250Н

Номинальное передаточное отношение, i

25,0

31,5

40,0

50,0

63,0

80,0

100,0

125,0

160,0

Номинальный крутящий момент на тихоходном валу, Т, Нxм

8500

8000

Номинальная частота вращения быстроходного вала, с-1 (об/мин)

25 (1500)

Номинальная радиальная консольная нагрузка, приложенная в середине посадочной поверхности выходного конца вала, Н быстроходного

1000

950

800

750

670

600

тихоходного

23000

22000

Масса, кг

600

Ориентировочный объем масла, л. 35
Типоразмер редуктора

2Ц3-280Н

Номинальное передаточное отношение i

25,0

31,5

40,0

50,0

63,0

80,0

100,0

125,0

160,0

Номинальный крутящий момент на тихоходном валу, Т, Нxм

10000

Номинальная частота вращения быстроходного вала, с-1 (об/мин)

25 (1500)

Номинальная радиальная консольная нагрузка, приложенная в середине посадочной поверхности выходного конца вала, Н быстроходного

2250

1000

900

800

700

650

тихоходного

25000

Масса, кг

780

Ориентировочный объем масла, л. 55

 

Типоразмер

awб

awпр

awт

А

L

L1

L2

L3

L4

L5

L6

L7

L8

2Ц3-125Н

80

100

125

165

585

515

455

230

100

160

235

36

105

2Ц3-160Н

100

125

160

195

735

638

580

220

130

184

270

42

130

2Ц3-200Н

125

160

200

230

826

716

656

328

155

230

335

58

165

2Ц3-250Н

160

200

250

280

1075

975

905

370

210

295

375

82

165

2Ц3-280Н

180

225

280

310

1200

1100

1030

415

235

307

430

82

200

 

Типоразмер

oD

oD1

oD2

H

H1

H2

H3

H4

В

B1

B2

B3

2Ц3-125Н

18

20 k6

65 m6

310

132

22

23

71

255

205

6

18

2Ц3-160Н

18

28 k6

85 m6

380

180

25

31

93

280

230

8

22

2Ц3-200Н

22

38 k6

100 m6

430

212

35

41,5

110

320

270

10

28

2Ц3-250Н

26

40 k6

125 m6

565

280

45

44

136

400

330

12

32

2Ц3-280Н

28

50 k6

140 m6

600

300

50

54,5

152

430

360

14

36

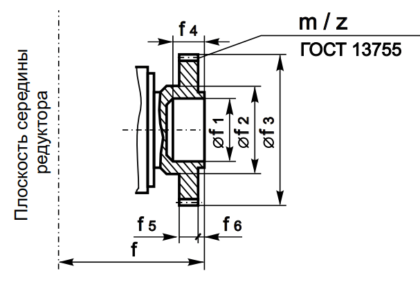
Размеры конца тихоходного вала в виде зубчатой полумуфты

Типоразмер

f

of1

of2

of3

f4

f5

f6

m

z

2Ц3-125Н

185

72 F8

85

168

38

20

9

4

40

2Ц3-160Н

225

120 F8

150

232

50

35

14

56

2Ц3-200Н

253

120 F8

150

232

50

35

14

4

56

240

110 F8

130

252

60

30

10

6

40

2Ц3-250Н

310

150 F8

180

336

65

40

15

8

2Ц3-280Н

340

160 F8

200

420

70

50

10

Размеры конических концов валов

Типоразмер

a1

a2

a3

a4

a5

oa6

oa7

a8

oa9

2Ц3-125Н

50

36

18

4

19,7

18,2

20

174

М12×1,25

2Ц3-160Н

60

42

21

5

27,9

25,9

28

198

М16×1,5

2Ц3-200H

110

82

41

10

38,9

35,9

40

282

М24×2

2Ц3-250H

323

М24×2

2Ц3-280Н

110

82

41

12

48,9

45,9

50

335

М36×3

Типоразмер

b1

b2

b3

b4

b5

ob6

ob7

b8

ob9

2Ц3-125Н

140

105

52,5

16

65,5

61,5

65

270

М42×3

2Ц3-160Н

170

130

65

20

83,0

78,5

85

310

М56×4

2Ц3-200H

170

130

65

22

88,5

83,5

90

345

М64×4

2Ц3-250H

210

165

82,5

28

122,75

116,75

125

420

М90×4

2Ц3-280Н

250

200

100

32

137

130,0

140

480

М100×4

 

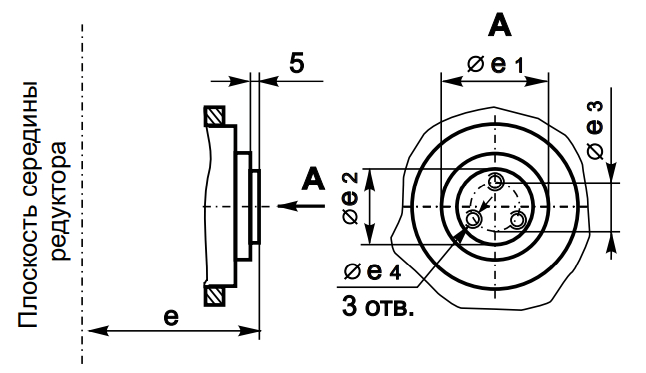
Размеры конца тихоходного вала для присоединения приборов и автоматики

Типоразмер

e

oe1

oe2

oe3

oe4

2Ц3-125Н

135

65 h10

24 h8

14

М6-7Н

2Ц3-160Н

145

85 h10

75 h8

55

М8-7Н

2Ц3-200Н

175

100 h10

2Ц3-250Н

215

130 h10

2Ц3-280Н

235

140 h10

 

Размеры полого шлицевого тихоходного вала

Типоразмер

Передаточные отношения

c1

c2

c3

Вид внутренних шлицев

2Ц3-160Н

25,0; 31,5; 40,0; 50,0; 63,0; 80,0; 100,0; 125,0; 160

270

90

90

Шлицы
эвольвентные

70×2,5×9Н
ГОСТ 6033-80

2Ц3-200Н

25,0; 31,5; 40,0; 50,0; 63,0; 80,0

330

80

16

Шлицы
прямобочные

в-10x102x112Н12x16D9
ГОСТ 1139-80

 

Варианты сборки

Примерные обозначения при заказе продукции

2Ц3-200Н-16-21-КвхЦвых-У1, где:

  • 2Ц3 – Тип редуктора;
  • 200 – Межосевое расстояние второй ступени;
  • Н – передача Новикова;
  • 40 – Номинальное передаточное число;
  • 26 – Вариант сборки;
  • Квх – Конический входной вал;
  • Цвых – Цилиндрический выходной вал;
  • У1 – Климатическое исполнение и категория размещения.
Назад
Выбор города