Ваш город:
Нижний Тагил
Ваш город Нижний Тагил?
Да Выбрать другой
Заказать звонок
Фильтр

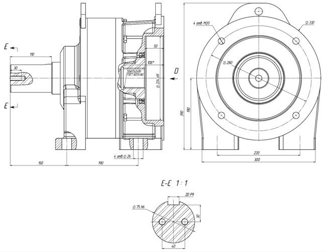
Редуктор РБГ-80

Описание

Передаточное число 3,5…5,15
Крутящий момент на выходном валу, Н*м 2500

Габаритные и присоединительные размеры

Назад
Выбор города