Ваш город:
Нижний Тагил
Ваш город Нижний Тагил?
Да Выбрать другой
Заказать звонок
Фильтр

Мотор-редуктор МЦЧ-250

Описание

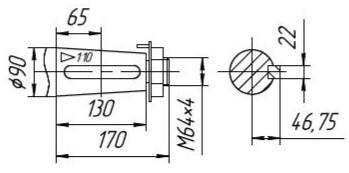
Габаритные размеры

Опорный фланец

Выходной вал «Квн»

Выходной вал «Кнар»

Выходной вал «Ц»

 

Назад
Выбор города