Ваш город:
Нижний Тагил
Ваш город Нижний Тагил?
Да Выбрать другой
Заказать звонок
Фильтр

Цилиндро-червячные редукторы МЦЧ2-100/200, МЦЧ2-125/250, МЦЧ2-160/320, МЦЧ2-200/400

Описание

iN n1 n2 МЦЧ2-100/200 МЦЧ2-125/250 МЦЧ2-160/320 МЦЧ2-200/400
Р1 Т2 η Р1 Т2 η Р1 Т2 η Р1 Т2 η
мин-1 кВт Н.м кВт Н.м кВт Н.м кВт Н.м
125 (2х8х8) 1500 7 4471 0,79 11,5 7502 0,8 19,9 13155 0,81 33,5 22355 0,82
1000 8 5,2 4953 0,78 8,6 8260 0,79 14,9 14533 0,8 25 24767 0,81
750 6 4 5069 0,77 6,8 8593 0,78 11,8 15187 0,79 19,5 25433 0,8
160 (2,5х8х8) 1500 9,38 5,9 4767 0,79 9,8 7967 0,8 17 14000 0,81 28,5 23833 0,82
1000 6,25 4,2 5053 0,78 7,1 8533 0,79 12,3 15067 0,8 20,5 25333 0,81
750 4,69 3,3 5117 0,77 5,5 8773 0,78 9,7 15547 0,79 15,8 25733 0,8
200 (3,15х8х8) 1500 7,5 4,9 5000 0,78 8,2 8333 0,79 14,3 14667 0,8 24,1 25000 0,81
1000 5 3,4 5107 0,78 5,8 8733 0,78 10,2 15467 0,79 16,7 25667 0,8
750 3,75 2,6 5160 0,77 4,5 8933 0,78 7,8 15867 0,79 12,8 26000 0,79
250 (2х8х16) 1500 6 4 5111 0,78 6,6 8533 0,79 11,1 14741 0,8 19,8 26141 0,81
1000 4 3,1 5800 0,77 5 9567 0,78 8,4 16178 0,79 15 29355 0,8
750 3 2,4 5971 0,76 4 9927 0,77 6,8 17373 0,78 12,1 31140 0,79
315 (2,5х8х16) 1500 4,76 3,5 5533 0,78 5,7 9167 0,79 9,5 15555 0,8 17 28111 0,81
1000 3,17 2,5 5947 0,77 4,1 9867 0,78 7,1 17133 0,79 12,6 30800 0,8
750 2,38 2 6043 0,76 3,2 10107 0,77 5,7 18093 0,78 10 32160 0,79
400 (3,15х8х16) 1500 3,75 2,7 5867 0,76 4,9 9667 0,77 8,2 16333 0,78 14,6 29667 0,79
1000 2,5 2,1 6027 0,75 3,4 10067 0,76 6,1 17933 0,77 10,6 31933 0,78
750 1,88 1,6 6107 0,74 2,7 10267 0,75 4,9 18733 0,74 8,6 33067 0,75
500 (2х16х16) 1500 3 2,5 5971 0,72 4,2 9927 0,73 7,2 17373 0,74 12,7 31140 0,75
1000 2 1,8 6099 0,71 2,9 10247 0,72 5,2 18653 0,73 9,1 32953 0,74
750 1,5 1,4 6163 0,7 2,3 10407 0,71 4,1 19293 0,72 7,1 33860 0,73
630 (2,5х16х16) 1500 2,38 2,1 6043 0,72 3,4 10107 0,73 6 18093 0,74 10,5 32160 0,75
1000 1,59 1,4 6147 0,71 2,4 10367 0,72 4,3 19133 0,73 7,4 33633 0,74
750 1,19 1,1 6195 0,7 1,8 10487 0,71 3,3 19613 0,72 5,8 34313 0,73
800 (3,15х16х16) 1500 1,88 1,7 6107 0,7 2,8 10267 0,72 5 18733 0,73 8,7 33067 0,74
1000 1,25 1,2 6187 0,69 1,9 10467 0,7 3,6 19533 0,71 6,2 34200 0,72
750 0,94 0,9 6227 0,68 1,5 10567 0,69 2,8 19933 0,7 4,8 34767 0,71
1000 (4х16х16) 1500 1,5 1,4 6163 0,68 2,3 10407 0,69 4,2 19293 0,7 7,3 33860 0,71
1000 1 1 6219 0,65 1,6 10547 0,67 3 19853 0,68 5,1 34653 0,69
750 0,75 0,8 6251 0,64 1,3 10627 0,65 2,3 20173 0,66 4 35107 0,67
1250 (2,5х16х31,5) 1500 1,2 1,2 6405 0,68 2 11067 0,69 3,4 19240 0,7 5,8 33120 0,71
1000 0,8 0,8 6527 0,65 1,4 11500 0,67 2,5 20367 0,68 4,2 34767 0,69
750 0,6 0,6 6583 0,64 1,1 11700 0,65 2 20887 0,66 3,3 35527 0,67
1600 (3,15х16х31,5) 1500 0,94 1 6480 0,65 1,7 11333 0,66 2,9 19933 0,67 5 34133 0,67
1000 0,63 0,7 6573 0,62 1,2 11667 0,63 2,1 20800 0,64 3,6 35400 0,65
750 0,47 0,5 6620 0,61 0,9 11833 0,62 1,7 21233 0,63 2,8 36033 0,64
2000 (4х16х31,5) 1500 0,75 0,8 6545 0,63 1,4 11567 0,64 2,5 20540 0,65 4,1 35020 0,66
1000 0,5 0,6 6611 0,61 1 11800 0,62 1,7 21147 0,63 2,9 35907 0,64
750 0,38 0,4 6648 0,6 0,8 11933 0,61 1,4 21493 0,62 2,3 36413 0,63
2500 (2,5х31,5х31,5) 1500 0,6 0,7 6583 0,63 1,2 11700 0,64 2 20887 0,65 3,4 35527 0,66
1000 0,4 0,5 6639 0,61 0,8 11900 0,62 1,4 21407 0,63 2,4 36287 0,64
750 0,3 0,4 6667 0,6 0,6 12000 0,6 1,1 21667 0,61 1,9 36667 0,62
3150 (3,15х31,5х31,5) 1500 0,48 0,5 6620 0,63 0,9 11833 0,64 1,6 21233 0,65 2,7 36033 0,66
1000 0,32 0,4 6667 0,61 0,7 12000 0,62 1,2 21667 0,63 1,9 36667 0,64
750 0,24 0,3 6685 0,6 0,5 12067 0,6 0,9 21840 0,61 1,5 36920 0,62
4000 (4х31,5х31,5) 1500 0,38 0,5 6648 0,56 0,8 11933 0,58 1,4 21493 0,6 2,3 36413 0,62
1000 0,25 0,3 6685 0,54 0,6 12067 0,56 1 21840 0,58 1,6 36920 0,6
750 0,19 0,3 6704 0,5 0,5 12133 0,52 0,8 22013 0,54 1,3 37173 0,56
5000 (4х40х31,5) 1500 0,3 0,4 6676 0,56 0,7 12033 0,58 1,1 21753 0,6 1,9 36793 0,62
1000 0,2 0,3 6704 0,54 0,5 12133 0,56 0,8 22013 0,58 1,3 37173 0,6
750 0,15 0,2 6713 0,5 0,4 12167 0,52 0,6 22100 0,54 1 37300 0,56
6300 (5х40х31,5) 1500 0,24 0,3 6685 0,5 0,6 12067 0,55 1 21840 0,56 1,6 36920 0,57
1000 0,16 0,2 6713 0,48 0,4 12167 0,53 0,7 22100 0,54 1,1 37300 0,55
750 0,12 0,2 6723 0,46 0,3 12200 0,51 0,5 22187 0,52 0,9 37427 0,53
8000 (5х40х40) 1500 0,19 0,3 5739 0,44 0,4 10360 0,5 0,7 19027 0,52 1,3 34747 0,53
1000 0,13 0,2 5747 0,42 0,3 10400 0,48 0,5 19067 0,5 0,9 34867 0,51
750 0,09 0,1 5749 0,4 0,2 10413 0,46 0,4 19080 0,48 0,7 34907 0,49
10000 (5х50х40) 1500 0,15 0,2 5744 0,44 0,3 10387 0,5 0,6 19053 0,52 1,7 34827 0,53
1000 0,1 0,1 5749 0,42 0,2 10413 0,48 0,4 19080 0,5 0,7 34907 0,51
750 0,08 0,1 5752 0,4 0,2 10427 0,46 0,3 19093 0,48 0,6 34947 0,49
12500 (5х50х50) 1500 0,12 0,2 5283 0,41 0,3 9360 0,46 0,5 17720 0,48 0,8 31467 0,49
1000 0,08 0,1 5291 0,4 0,2 9373 0,46 0,3 17747 0,48 0,5 31533 0,49
750 0,06 0,1 5295 0,39 0,1 9380 0,46 0,2 17760 0,48 0,4 31567 0,49

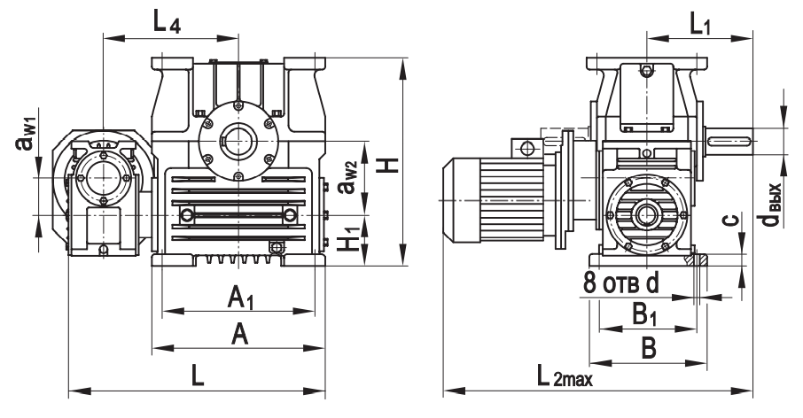
Габаритные размеры редуктора на лапах

Типоразмер аW1 аW2 А А1 В В1 L* L1* L2max L3* L4 Н Н1 сd d вх dвых
МЦЧ2-­100/200 100 200 475 420 330 275 700 340 950 380 365 595 160 32 24 32 80
МЦЧ2­-125/250 125 250 590 520 410 340 860 365 1117 480 465 710 175 40 28 32 90
МЦЧ2­-160/320 160 320 695 560 485 405 1145 460 1261 520 550 890 215 65 34 40 120
МЦЧ2­-200/400 200 400 940 840 600 500 1360 580 1670 550,5 650 1100 260 70 39 45 160

* Размеры приведены без учёта длины резьбового конца вала исполнения К2. 

 

Габаритные размеры редуктора на фланце

Типоразмер аW1 аW2 D D1 D2 H L* L1* L2max L3* L7 L8* c1 с2 d1 dвх dвых n
МЦЧ2Ф­-100/200 100 200 530 410 470 595 700 340 950 380 205 380 30 5 24 32 80 8
МЦЧ2Ф­-125/250 125 250 660 515 585 710 860 365 1117 480 255 431 35 6 28 32 90 8
МЦЧ2Ф­-160/320 160 320 840 660 750 890 1145 460 1261 520 325 541 40 6 30 40 120 8
МЦЧ2Ф-200/400 200 400 1050 820 940 1100 1360 580 1670 550,5 405 711 45 6 33 45 160 8

* Размеры приведены без учёта длины резьбового конца вала исполнения К2. 

Варианты сборки

Назад
Выбор города