Ваш город:
Нижний Тагил
Ваш город Нижний Тагил?
Да Выбрать другой
Заказать звонок
Фильтр

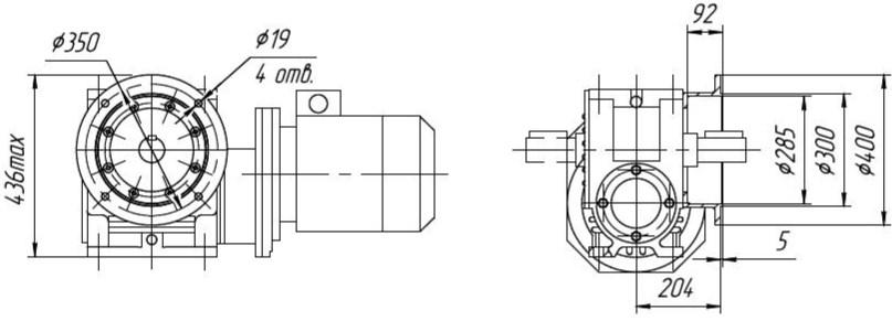
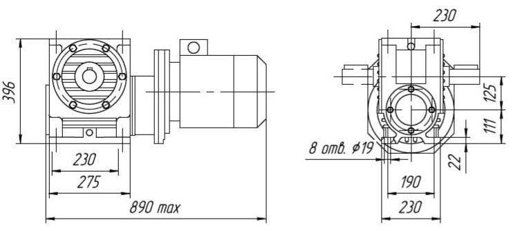
Мотор-редуктор МЦЧ-125

Описание

Габаритные размеры

С опорным фланцем

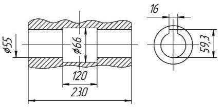
Выходной вал «Квн»

Выходной вал «Кнар»

Выходной вал «Ц»

Выходной вал с шлицевым валом

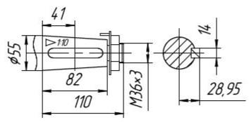
Выходной вал с шпоночным валом

Назад
Выбор города