Ваш город:
Нижний Тагил
Ваш город Нижний Тагил?
Да Выбрать другой
Заказать звонок
Фильтр

Цилиндро-червячные мотор-редукторы МЦ2Ч-40, МЦ2Ч-63, МЦ2Ч-80

Описание

i n1 n2 МЦ2Ч-40 МЦ2Ч-63 МЦ2Ч-80
P1 T2 η P1 T2 η P1 T2 η
МИН-1 кВт Н.м кВт Н.м кВт Н.м
63 1500 23,8 0,11 36 0,8 0,41 135 0,82 0,93 310 0,83
1000 15,87 0,08 37 0,77 0,29 140 0,8 0,65 318 0,81
750 11,9 0,06 38 0,76 0,22 140 0,78 0,5 320 0,8
80 1500 18,75 0,21 79 0,74 0,66 259 0,77 1,15 475 0,81
1000 12,5 0,15 81 0,73 0,46 263 0,75 0,81 496 0,8
750 9,4 0,11 82 0,72 0,36 268 0,74 0,65 518 0,79
100 1500 15 0,17 81 0,74 0,54 263 0,76 0,97 501 0,81
1000 10 0,12 83 0,73 0,38 270 0,74 0,68 521 0,8
750 7,5 0,09 85 0,72 0,3 278 0,74 0,55 542 0,78
125 1500 12 0,12 69 0,73 0,4 248 0,78 0,62 396 0,8
1000 8 0,08 70 0,72 0,27 252 0,77 0,43 412 0,8
750 6 0,06 71 0,71 0,21 255 0,76 0,35 428 0,77
160 1500 9,4 0,08 61 0,73 0,25 198 0,78 0,58 463 0,78
1000 6,25 0,06 64 0,72 0,18 206 0,77 0,41 488 0,77
750 4,7 0,05 66 0,7 0,14 214 0,76 0,33 512 0,76
200 1500 7,5 0,11 105 0,72 0,33 304 0,73 0,65 602 0,73
1000 5 0,08 107 0,71 0,23 310 0,72 0,45 615 0,72
750 3,75 0,06 109 0,7 0,17 316 0,71 0,35 628 0,71
250 1500 6 0,05 58 0,71 0,16 189 0,72 0,34 390 0,72
1000 4 0,04 61 0,69 0,12 199 0,7 0,25 411 0,7
750 3 0,03 64 0,68 0,09 208 0,69 0,2 431 0,69
315 1500 4,76 0,04 61 0,69 0,14 197 0,71 0,26 369 0,71
1000 3,17 0,03 63 0,68 0,1 205 0,69 0,18 383 0,69
750 2,4 0,02 66 0,96 0,08 213 0,68 0,15 397 0,68
400 1500 3,75 0,07 113 0,68 0,19 329 0,69 0,39 692 0,7
1000 2,5 0,05 116 0,67 0,13 337 0,68 0,27 707 0,69
750 1,875 0,04 119 0,66 0,1 345 0,67 0,21 721 0,68
500 1500 3 0,03 64 0,67 0,1 208 0,68 0,18 390 0,69
1000 2 0,02 67 0,66 0,07 216 0,67 0,13 410 0,68
750 1,5 0,02 69 0,65 0,05 224 0,66 0,1 429 0,67
630 1500 2,4 0,08 216 0,66 0,14 365 0,67
1000 1,59 0,05 211 0,65 0,1 379 0,65
750 1,19 0,04 206 0,64 0,08 392 0,64
800 1500 1,875 0,06 181 0,6 0,1 326 0,61
1000 1,25 0,04 190 0,58 0,07 343 0,6
750 0,94 0,04 200 0,56 0,06 360 0,58

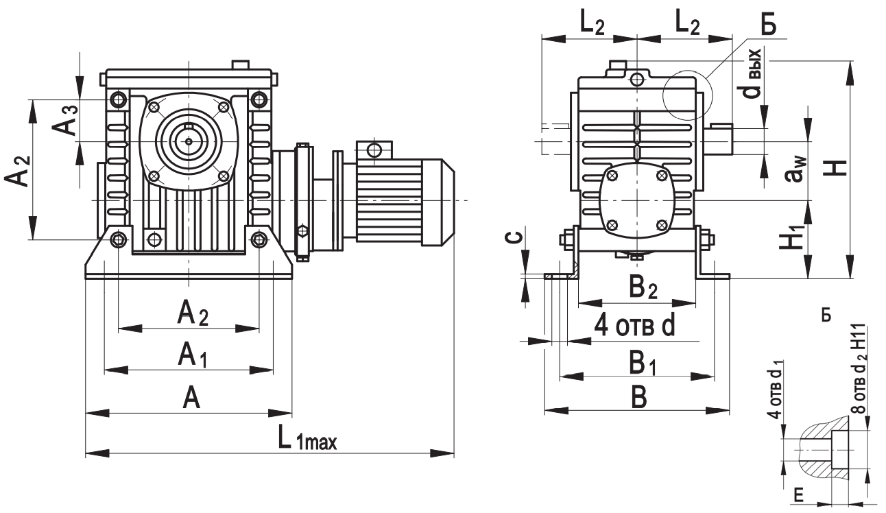
Габаритные размеры редуктора на лапах

Типоразмер Размеры, мм
aw А А1 А2 А3 В В1 В2 L* L. 1max L2* Н Н1 с d d1 d2 Е dвх dвых
МЦ2Ч-40 40 180 150 105 30 164 140 100 295 420 100 180 72 4 13 10,5 16 8 16 18
МЦ2Ч-63 63 220 180 150 45 196 165 125 400 560 120 223 82 5 13 10,5 16 8 22 28
МЦ2Ч-80 80 260 225 180 50 212 185 140 470 647 145 265 92 5 15 12,5 18 8 25 35

* Размеры приведены без учёта длины резьбового конца вала исполнения К2. 

 

Габаритные размеры редуктора на фланце

Типоразмер Размеры, мм n
aw D D1 D2 Н2 L2* L3* L4 L5max С1 С2 d3 dвх dвых
МЦ2ЧФ-40 40 120 65 100 162 100 282 85 407 8 3 10 16 18 4
МЦ2ЧФ-63 63 160 110 130 200 120 393 120 553 10 3,5 12 22 28 4
МЦ2ЧФ-80 80 220 150 190 239 145 459 130 636 10 5 12 25 35 6

* Размеры приведены без учёта длины резьбового конца вала исполнения К2. 

Варианты сборки

Варианты расположения червячных передач

1. Червячный вал под колесом;
2. Червячный вал над колесом;
3. 4. Вал червячного колеса вертикальный;
5. 6. Червячный вал вертикальный.

Назад
Выбор города