Ваш город:
Нижний Тагил
Ваш город Нижний Тагил?
Да Выбрать другой
Заказать звонок
Фильтр

Редуктор Ч-320

Описание

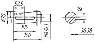
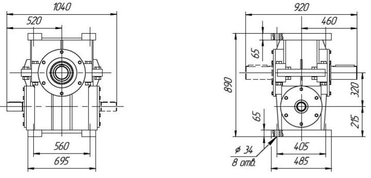
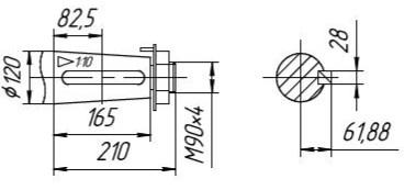
Габаритные размеры

С опорным фланцем

Входной вал «Квн»

Входной вал «Кнар»

Выходной «Квн»

Выходной вал «Кнар»

Входной вал «Ц»

Выходной вал «Ц»

 

Назад
Выбор города