Ваш город:
Нижний Тагил
Ваш город Нижний Тагил?
Да Выбрать другой
Заказать звонок
Фильтр

Редукторы цилиндрические двухступенчатые РЦД-250 (350, 400)

Описание

Типоразмер редуктора

РЦД-250

Номинальное передаточное отношение

10,0

16,0

20,0

25,0

31,5

40,0

Номинальный крутящий момент на тихоходном валу, Т, Нxм

режим работы

Средний (С), ПВ 25%

768

760

840

895

858

844

Тяжелый (Т), ПВ 40%

568

540

592

645

600

653

Непрерывный (Н), ПВ 100%

505

480

457

430

Номинальная частота вращения быстроходного вала, с-1 (об/мин)

25 (1500)

Номинальная радиальная консольная нагрузка, приложенная в середине посадочной части быстроходного вала Fб, Н

1000

Номинальная радиальная консольная нагрузка, приложенная в середине посадочной части тихоходного вала Fт, Н

6400

Масса, кг

87

Ориентировочный объем масла, л. 2,3

Типоразмер редуктора

РЦД-350

Номинальное передаточное отношение

10,0

16,0

20,0

25,0

31,5

40,0

Номинальный крутящий момент на тихоходном валу, Т, Нxм

режим работы

Средний (С), ПВ 25%

1900

2340

2230

2120

2000

Тяжелый (Т), ПВ 40%

1350

1530

1560

1640

1620

Непрерывный (Н), ПВ 100%

1200

1140

1080

1020

Номинальная частота вращения быстроходного вала, с-1 (об/мин)

25 (1500)

Номинальная радиальная консольная нагрузка, приложенная в середине посадочной части быстроходного вала Fб, Н

1800

Номинальная радиальная консольная нагрузка, приложенная в середине посадочной части тихоходного вала Fт, Н

10000

Масса, кг

175

Ориентировочный объем масла, л. 5,5

Типоразмер редуктора

РЦД-400

Номинальное передаточное отношение

10,0

16,0

20,0

25,0

31,5

40,0

Номинальный крутящий момент на тихоходном валу, Т, Нxм

режим работы

Средний (С), ПВ 25%

2580

2550

2820

3050

2890

3100

Тяжелый (Т), ПВ 40%

2300

2020

2160

2020

2200

Непрерывный (Н), ПВ 100%

2300

2020

2160

2110

2000

1990

Номинальная частота вращения быстроходного вала, с-1 (об/мин)

25 (1500)

Номинальная радиальная консольная нагрузка, приложенная в середине посадочной части быстроходного вала Fб, Н

2000

Номинальная радиальная консольная нагрузка, приложенная в середине посадочной части тихоходного вала Fт, Н

13800

Масса, кг

287

Ориентировочный объем масла, л. 8,4

Типоразмер

aw

a

L

L1

L2

L3

l

l1

l2

l3

l4

РЦД-250

250

150

520

220

230

82

400

330

115

185

235

РЦД-350

350

200

700

260

290

105

545

480

164

235

280

РЦД-400

400

250

800

280

335

130

640

540

190

285

330

 

Типоразмер

H

H1

H2

B

B1

B2

B3

D

Od

РЦД-250

315

160

49.5

250

250

200

14

45 m6

23

РЦД-350

410

212

71

320

320

255

18

65m6

23

РЦД-400

510

265

93

360

360

275

22

85 m6

27

 

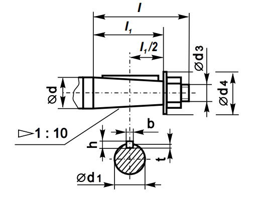
Размеры концов быстроходных валов

Типоразмер

d1

d2

d3

d4

l

l1

b

h

t

РЦД-250

30

27,1

M20?1,5

50

80

58

5

5

3

РЦД-350

35

32,1

6

6

3,5

 

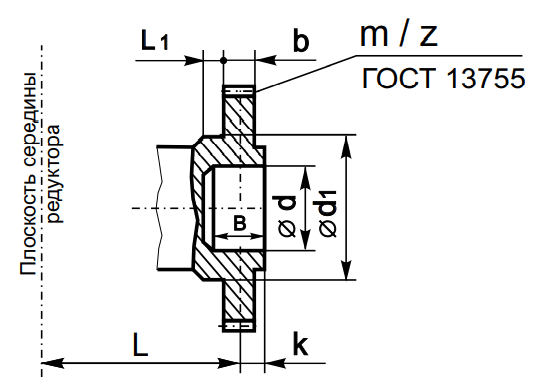
Размеры концов тихоходных валов в виде зубчатой полумуфты

Типоразмер

m

z

b

L

k

B

d

d1

РЦД-350

3

48

25

235

22

45

90F7

110e9

РЦД-400

56

25

125e9

 

Размеры полого тихоходного вала редуктора РЦД-400

Варианты сборки

Примерные обозначения при заказе продукции

РЦД-350-25-21-КвхЦвых-У1, где:

  • РЦД – Тип редуктора;
  • 350 – Межосевое расстояние второй ступени;
  • 25 – Номинальное передаточное число;
  • 21 – Вариант сборки;
  • Квх – Конический входной вал;
  • Цвых – Цилиндрический выходной вал;
  • У1 – Климатическое исполнение и категория размещения.
Назад
Выбор города