Ваш город:
Нижний Тагил
Ваш город Нижний Тагил?
Да Выбрать другой
Заказать звонок
Фильтр

Мотор-редуктор МЦЧ-63

Описание

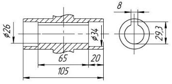
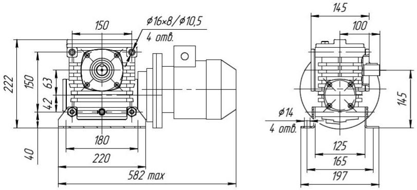
Габаритные размеры

С опорным фланцем

Выходной вал «Квн»

Выходной вал «Ц»

Выходной вал с шлицевым отверстием

Выходной вал с шпоночным отверстием

Назад
Выбор города